通用定时器介绍
通用定时器有4个分别是:TIM2、TIM3、TIM4、TIM5。它们拥有基本定时器所有功能。并增加如下功能:
(1)多种时钟源。
(2)向上计数(加),向下计数(减),向上/向下(先加后减)。当然我们使用的时候更喜欢向上计数。
(3)输入捕获。
(4)输出比较。
(5)PWM生成。
(6)支持针对定位的增量(正交)编码器和霍尔传感器电路。
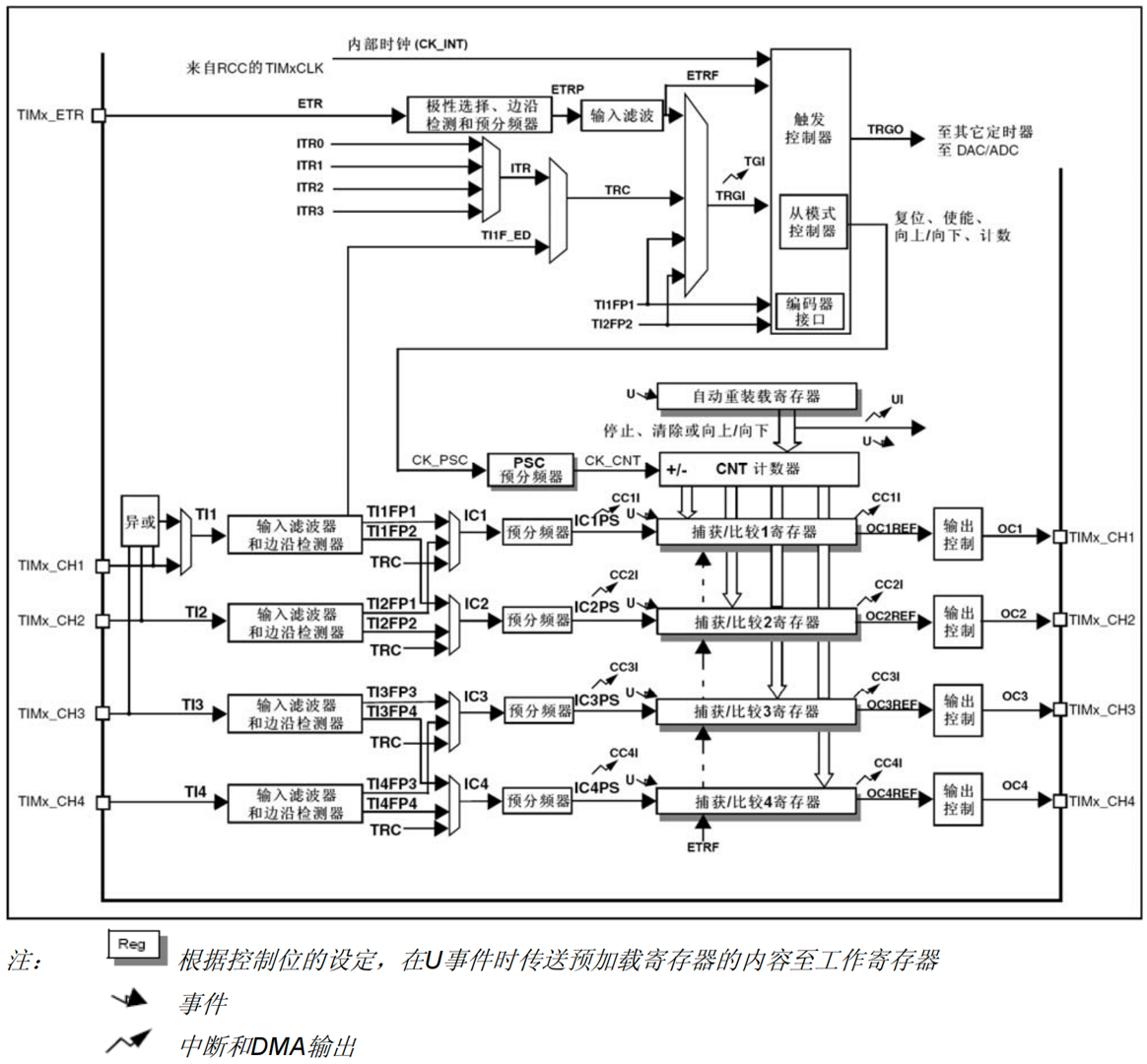
功能框图

拥有基本定时器的所有功能
内部时钟源
时基单元
预分频器
自动重装载寄存器
计数器
可在该功能框图找到基本定时器中也拥有的寄存器
时钟源选择
拥有三个可选择的时钟源
外部时钟源一般用于定时器的级联
内部时钟模式

与基本定时器一致
默认时钟源就是内部时钟
外部时钟源模式-1


使用定时器自身通道的输入信号为时钟源
每一个定时器有4个通道但是只有通道1,2的信号可以作为时钟源
输入的时钟源即为通道1,2中的信号TI1FP1和TI2FP2
同时可以作为TRGI(trigger in)触发输入信号
或者通过编码器,来控制时钟
外部时钟源模式-2
使用定时器的特殊引脚ETR引脚的信号作为时钟源

每个通用定时器都有一个ETR引脚
ETR引脚信号经过极性选择,边缘检测,预分频器,输入滤波,得到信号ETRF,就成为了外部时钟源
三种计数方式
向上计数模式
与基本定时器一样,向上计数,当计数器到达自动重装载寄存器的值时,再来一个时钟信号,寄存器溢出产生更新事件,重新从0开始计数
向下计数模式
从自动重装载寄存器的值开始计数,直至减到0,然后再来一个时钟信号,寄存器溢出,产生更新事件然后再从自动重装载寄存器的值开始计数
中央对齐模式
从0开始计数,一直计数到自动重装载寄存器的值-1,再来一个时钟信号会产生更新事件,然后继续从自动重装载寄存器的值开始向下计数
可以顺便解决我们设置计数值时,要-1才能计数到我们想要的值的问题
设定计数方式

中央对齐模式有额外的控制寄存器来控制